
Developing Next-Gen Battery Management Systems to Power The Future.
CRX Microtech is an innovative, US-based, Fabless Semiconductor startup focused on providing a complete portfolio of Battery Management solutions.

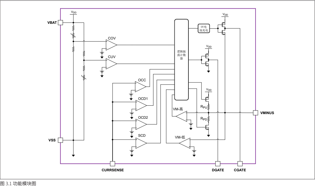
CRX2301Axx是一款适用于单节锂离子电池的保护IC。可以对锂电池过充电、过放电、过电流以及短路事件提供保护。芯片通过监测电池电压和低压侧路径中电阻(通常为1 mΩ)两端的电压,来决定开通或关断位于低压侧的相应NFET,来决定是否允许电池充电或放电。 用户可以根据需要选择不同的保护阈值和延迟。另外,还可以选择是否允许0V电池充电。


64 引脚 TQFP 封装(7 mm x 7 mm 机壳尺寸,0.4 mm 引脚间距)
CRX5116A 设备集成了必要的测量、保护和电池均衡功能,构成了包含从 5 系列电池到 16 系列电池的可充电锂基电池管理系统的核心。电压和电流测量,以及片上温度测量,可以由 CRX5116A 设备自主用于保护功能,同时主微控制器也可以访问这些测量值,以实施额外的保护和控制,包括电池均衡命令。电池均衡 FET 集成在 CRX5116A 设备中,同时也可以添加外部 FET 以增加均衡电流。CRX5116A可以通过集成的充电泵直接驱动高侧充放电控制FET的栅极。本数据表详细说明了该设备的电气、机械和高级功能特性。有关寄存器、配置和详细操作的更多信息,请参见CRX5116A数字用户指南(DCX30F01)。